Skip to main content
Jednostka klimakonwektora MSP BLDC

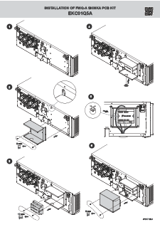
FWQ-A

FWQ-A

Cechy produktu

  • Technologia silników BLDC
  • Obecność mikroprzełącznika Dip-switch w celu optymalizacji rozmiaru modelu
  • Zintegrowana pompka spustowa
  • Zgodność ze sterownikiem Daikin Shinka lub innym sterownikiem z otwartym protokołem 0-10 V
  • Zawór montowany fabrycznie dostępny jako opcja

Znajdź więcej informacji

Dystrybutor w okolicy

Potrzebujesz pomocy?

Znajdź więcej informacji

Potrzebujesz pomocy?

Znajdź więcej informacji

Potrzebujesz pomocy?

Potrzebujesz pomocy?

Potrzebujesz pomocy?